Novinky
22.11.2025
Úložný systém Toughbuilt StackTech®
Unikátní systém úložných boxů na nářadí Toughbuilt udělá pořádek v dílně i na stavbě. Základ systému tvoří pojízdný kufr na nářadí a velké boxy na nář...
číst celé
- Úvod
- Nástroje
- Stopkové frézy
- Rádiusové frézy
- IGM M138
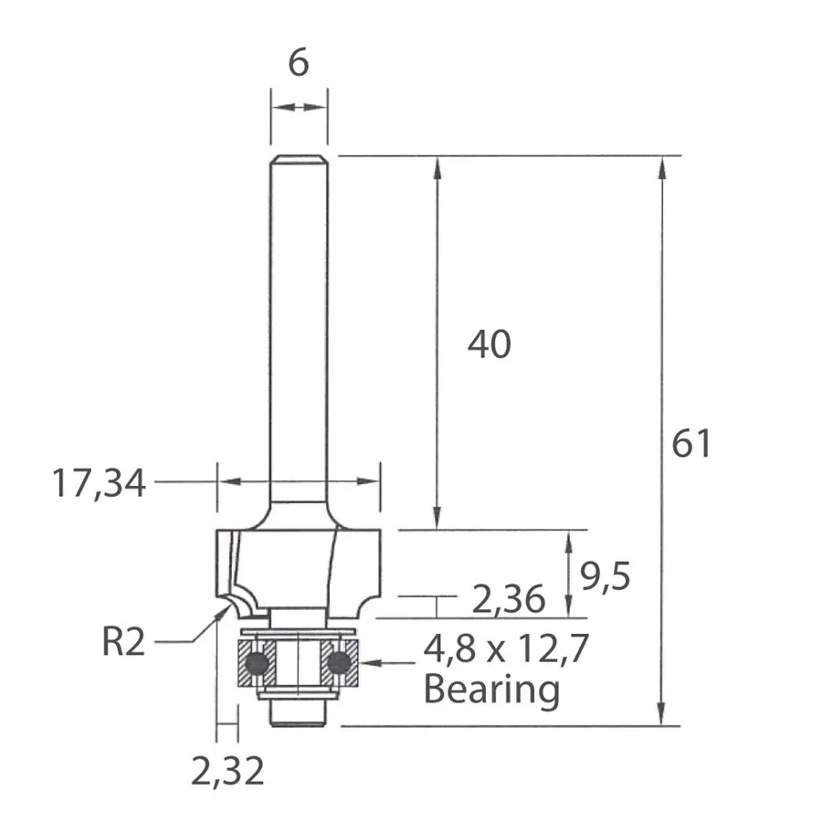
- Zaoblovací fréza vydutá - R2 D17,34x9,5 L61 S=6 HW, M138-02061, IGM
Zaoblovací fréza vydutá - R2 D17,34x9,5 L61 S=6 HW, M138-02061, IGM
- Kompletní specifikace
- Hodnocení 0
- Komentáře 0
Zaoblovací fréza vydutá - R2 D17,34x9,5 L61 S=6 HW, M138-02061, IGMObvykle do 5 pracovních dnů690 Kč/ ks570 Kč bez DPH
Kompletní specifikace
Zaoblovací fréza vydutá M138 se dvěma zuby z tvrdokovu je určená pro zaoblení hrany materiálu. Lze použít pouze v ručních frézkách.
Můžete s ní vytvořit ozdobné zakončení hrany masivního dřeva nebo zaoblit nábytkovou ABS hranu po olepování. Ložisko na konci nástroje zajišťuje prvotřídní vedení a kvalitní a rovnoměrný úběr materiálu.
Vhodná na řadu různých materiálů – měkké a tvrdé dřevo, lepené dřevěné materiály, překližka, DTD, MDF, lamino, plasty a umělý kámen.
Stopka (S) 6 mm
Řezný průměr (D) 17,34 mm
Celková délka (L) 61 mm
Řezná výška (I) 9,5 mm
Radius (R) 2 mm
Zboží zařazeno v kategoriích







